PRODUCTS Multi-cartridges Filter Housings
Cartridge Filters (8 or 9 rounds)
l All the parts of Martin Cartridge Filter are made of UPUV.
l The highest working temperature is 45°C
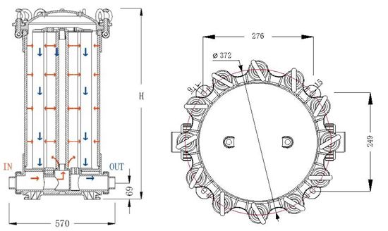
l The inlet and outlet are featured under the same line connecting with 3” unions.
l The distribution system of Martin Cartridge Filter is distributed from bottom to top.
l Water is well-proportioned with small strike to cartridges and air is easy to be discharged.
l The bottom system of Martin Cartridge Filter is designed together as a whole the top localizer & closure system.
l Cartridges are easy to be installed, pushed down and closed, preventing leaking inside.
l Martin Cartridge Filter is corrosion resistant. It can be used in SS-non-replace field.
Model No | Material | Size | Cartridges | Inlet/outlet | Drain | Max Pressure | |
MT-CF-8DC1 | MT-CF-9DC1 | UPVC | Ø315*H495 | 8 or 9 | DN80/ ANSI 3" | DIN1/2" or ANSI 1/2" | 0.6Mpa/ 85psi |
MT-CF-8DC2 | MT-CF-9DC2 | UPVC | Ø315*H745 | ||||
MT-CF-8DC3 | MT-CF-9DC3 | UPVC | Ø315*H995 | ||||
MT-CF-8DC4 | MT-CF-9DC4 | UPVC | Ø315*H1245 | ||||




